ZZZ

Zaccaria Vanguard Maintenance 2021

28/05/2022 - Game PCB #PA2020314 repair

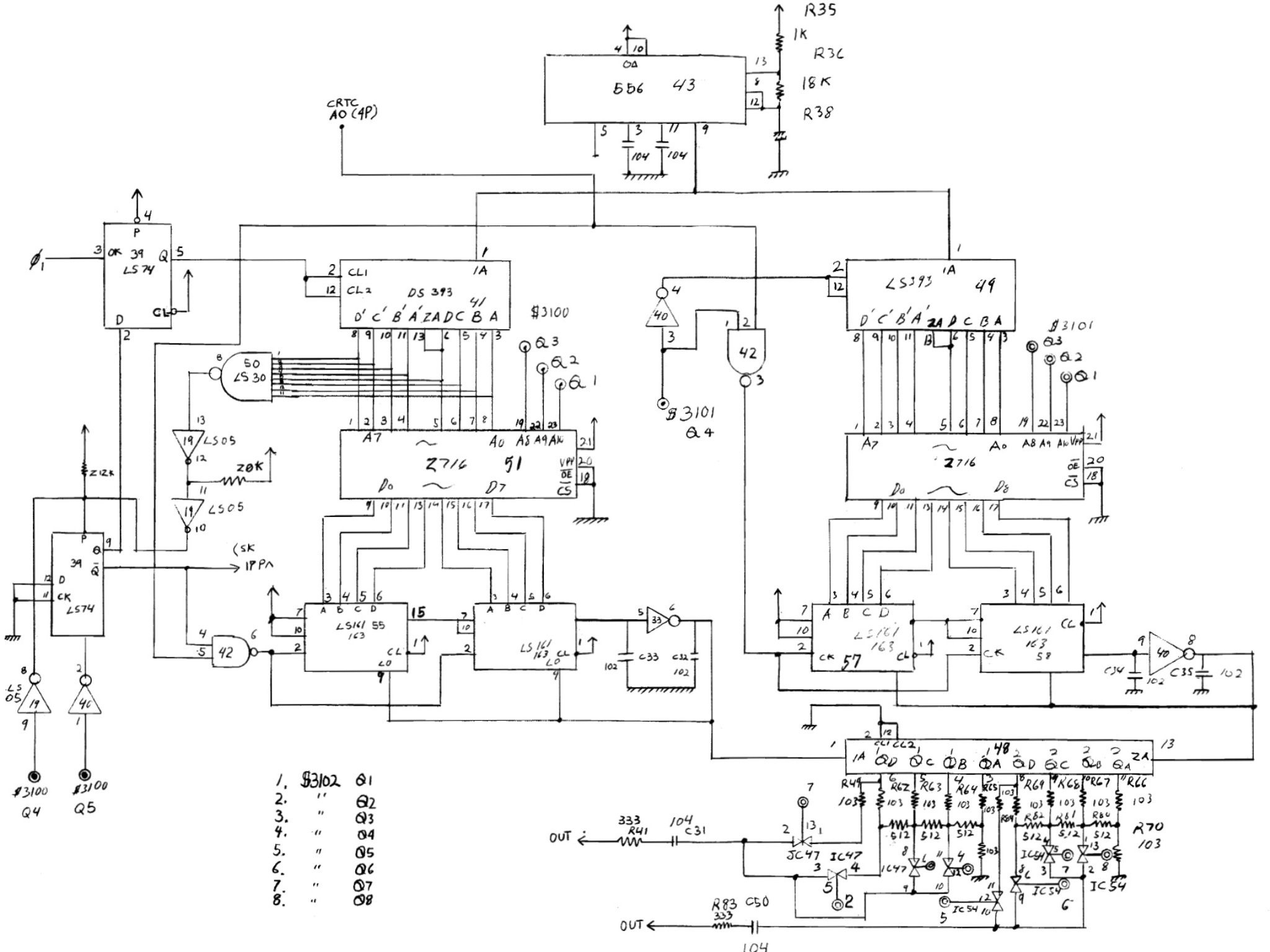
SNK Vanguard SK4 Page 2 schematic

Pre-show testing of the spare game PCB on the bench found there was no music, only the initial chord played, but the rest of the game sound effects, and speech were working OK. Interestingly this platform doesn't use a CPU for music. Checking SK4 schematic page 2 along with reading the MAME driver identified twin synthesizers made up of ROMs and counters. Poking around with a scope found both the address & data bus idle on the ROMs and counter IC 41 and 49 outputs were also idle. IC 49 pin 1 input clock was idle as was IC 43 (NE556) pin 9 and I suspected either IC 43 or the tantalum capacitor attached to it was bad. Replacing IC 43 (NE556) fixed the music.

Vanguard Maintenance 2022




prswan@gmail.com